中央空调的水系统包括冷(热)水系统、冷却水系统和冷凝水排放系统。
冷冻水循环系统:来自空调设备的冷冻水回水经集水器、除污器、循环水泵,进入冷水机组蒸发器内、吸收了制冷剂蒸发的冷量,使其温度降低成为冷冻水,进入分水器后再送入空调设备的表冷器或冷却盘管内,与被处理的空气进行热交换后,再回到冷水机组内进行循环再冷却。
热水循环系统:主要是完成冬季空调设备所需的热量,使其加热空气用,热水循环系统需包含热源部分。
冷却水循环系统:进入到冷水机组的冷凝器的冷却水吸收冷凝器内的制冷剂出的热量而温度升高,然后进入室外冷却塔散热降温、通过冷却水循环水泵进行循环冷却,不断带走制冷剂冷凝放出的热量,以保证冷水机组的制冷循环。
冷凝水排放系统:排放空调器表冷器表面因结露而形成的冷凝水的水管。
在空气调节中,常常通过水作为载冷剂或冷却剂来实现热量的传递,因此水系统是中央空调系统的一个重要的组成部分,其设计和安装的好坏直接影响到空调系统的效果和使用寿命。
本文只是阐述水系统的基本的原理和实际使用中的一些注意事项,实际工程的设计请联系专业的设计院和相关公司。
一 水系统的分类
一、闭式循环和开式循环

1)闭式循环系统
管路不与大气接触,在系统最高点设膨胀水箱并有排气和泄水装置的系统。
当空调系统采用风机盘管、诱导器和水冷式表冷器做冷却作用时,冷水系统宜
采用闭式系统。高层建筑也宜采用闭式系统。
热水系统,一般均为闭式系统。在设计时应考虑锅炉房或热网在低负荷时供热
的可能性。如低负荷时,不可能供热,则应考虑其它措施(如电加热等)。
闭式循环的优点:
1.由于管路不与大气相接触,管道与设备不宜腐蚀。
2.不需为高处设备提供的静水压力,循环水泵的压力低,从而水泵的功率相对较小。
3.由于没有回水箱、不需重力回水、回水不需另设水泵等,因而投资省、系统简单。
闭式循环的缺点:
1.蓄冷能力小,低负荷时,冷冻机也需经常开动。
2.膨胀水箱的补水有时需要另设加压水泵。
2)开式循环系统
管路之间有贮水箱(或水池)通大气,自流回水时,管路通大气的系统。
当空调系统采用喷水池冷却空气时,宜采用开式系统。空调系统采用冷水式表冷器,
冷水温度要求波动小或冷冻机的能量调节不能满足空调系统的变化时,也可采用开式系统。
当采用开式水箱蓄冷或贮水以消减高峰负荷时,也宜采用开式系统。
开式系统的优点是冷水箱有一定的蓄冷能力,可以减少冷冻机的开启时间,增加能量调节能力,且冷水温度的波动可以小一些。
开式系统的缺点是:
1.冷水与大气接触,循环水中含氧量高,宜腐蚀管路。
2.末端设备(喷水池、表冷器)与冷冻站高差较大时,水泵则须克服高差造成的静水压力,增加耗电量。
3.如果喷水池较低,不能直接自流回到冷冻站时,则需增加回水池和回水泵。
4.如果采用自流回水,回水的管径较大,会增加投资。
对于末端产品,通常采用冷水式表冷器作为换热设备,宜采用闭式系统。但需
要注意的是,闭式冷水系统的冷冻机的蒸发器也应为闭式的,且冷冻机的能量调节应能满足空调负荷的变化。一般空调系统的负荷变化在 100%~20%之间,在选用冷冻机的台数和单台的能量调节时,要考虑此问题。
二、系统管制(两管制、三管制、四管制)

1)两管制
冷水系统和热水系统采用相同的供水管和回水管,只有一供一回两根水管的系统。
两管制系统简单,施工方便;但是不能用于同时需要供冷和供热的场所。
2)三管制
分别设置供冷管路、供热管路、换热设备管路三根水管;其冷水与热水的回水关共用。
三管制系统能够同时满足供冷和供热的要求,管路系统较四管制简单;但是比两管制复杂,投资也比较高,且存在冷、热回水的混合损失。
3)四管制
冷水和热水的系统完全单独设置供水管和回水管,可以满足高质量空调环境的要求。
四管制系统能够同时满足供冷和供热的要求,并且配合末端设备能够实现室内温度和湿度精确控制的要求;由于冷水和热水在管路和末端设备中完全分离,有助于系统的稳定运行和减小设备的腐蚀。
三、定水量和变水量系统
1)定水量系统
系统中循环水量为定值,或夏季和冬季分别采用不同的定水量,负荷变化时,改变供、回水温度以改变制冷量或制热量的系统。
优点:定水量系统简单,操作方便,不需要复杂的自控设备和变水量定压控制。用户采用三通阀,改变通过表冷器的水量,各用户之间互不干扰,运行较稳定。
缺点:系统水量均按最大负荷确定,而最大负荷出现的时间很短,即使在最大负荷时,建筑物各朝向的峰值负荷也不会在同一时间出现,绝大多数时间供水量都是大于所需要的水量,因此水泵的无效能很大。另外,如采用多台冷冻机和多台水泵供水,负荷小时,有的冷冻机停止运行,而水泵却全部运行,则供水温度会升高,使表冷器等设备的降湿能力减低,会加大室内的相对湿度。
通常采用多台冷冻机和多台水泵的系统,当冷冻机停止运行时,相应的水泵也停止运行。这样节约了水泵的能耗,但水量也随之变化,成为阶梯式的定水量系统。
定水量系统,一般适用于间歇性降温的系统(如影院、剧场、大会议厅等)和空调面积小,只有一台冷冻机和一台水泵的系统。
2)变水量系统
保持供水温度在一定范围内,当负荷变化时,改变供水量的系统。
变水量系统的水泵的能耗随负荷减少而降低,在配管设计时可考虑同时使用系数,管径可相应减小,降低水泵和管道系统的初投资;但是需要采用供、回水压差进行流量控制,自控系统较复杂。
四、同程式和异程式

1)同程式系统
经过每一并联环路的管长基本相等,如果通过每米长管路的阻力损失
接近相等,则管网的阻力不需调节即可保持平衡。
同程式系统中系统的水力稳定性好,各设备间的水量分配均衡,调节方便。室内管网,尤其是有吊顶的高层的室内管网,当采用风机盘管时,用水点很多,利用调节管径的大小进行平衡,往往是不可能的;采用平衡阀或普通阀门进行水量调节则调节工作量很大。因此,水管路宜采用同程式。
同程式系统由于采用回程管,管道的长度增加,水阻力增大,使水泵的能耗增加,并且增加了初投资。
2)异程式系统
经过每一并联环路的管长均不相等。异程式系统简单,耗用管材少,施工难度小。对于外网,各大环路之间、用水点少的系统,可以采用异程式,水量调节可采用在每一个并联支路上安装流量调节装置。
五、单式泵和复式泵

1)单式泵
冷(热)源侧与负荷侧合用一组循环水泵。单式泵系统简单,初投资省。但是不能调节系统流量,在低负荷时不能减少系统流量以节约能耗。常用于小型建筑物的空调系统中,不能适应供水半径相差悬殊的大型建筑物的空调系统中。
2)复式泵
冷(热)源测与负荷侧分别配备循环水泵。复式泵系统可实现水泵变流量(冷热源侧设置定流量,负荷侧设置二次水泵,可调节流量),节约输送能耗。能过适应空调分区的负荷变化。适用于大型的空调系统。
二 水系统的承压与分区

一、系统的承压
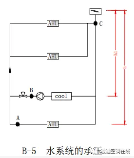
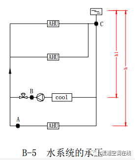
1)系统的最高压力:在系统的最低处或水泵的出口处,设计时应对各个点的压力进行分析,以选择合理的设备。在图 B-5 所示的系统中分析下列三种情况:
1. 系统停止运行时,A 点承压最大:
PA = 9.81 h
2. 系统正常运行时,A 点和 B 点均可能承压最大:
PB = 9.81 h1 + Pg – HCB (Pg为水泵压头)
PA = 9.81 h + Pg – HCB – HBA
3. 当系统开始运行时,阀门 4 可能处于关闭状态,则 B 点压力最大:
PB = 9.81 h1 + P
2)设备的承压:常用的管道、水煤气管≤1.0 Mpa、加厚的和螺旋焊接管≤1.5 MPa、≤无缝钢管≤6 MPa。各种阀门从 1.0、1.6、2.5~100 MPa 均有产品,可根据需要选用。空气处理机组所采用的表冷器,按照工作压力 1.6Mpa、实验压力 3.0 Mpa 进行设计和生产。能够保证设备的承压能力高,密封性好。
二、水系统的分区
系统中的管路和设备均有其承压极限,系统的压力不应超过设备的承压能力,如果层高不高,系统压力小,可仅有一个区,冷源和热源放在底层或地下室内,震动和噪声均易于处理。
当高层建筑中设备的承压能力不够时应分区。A 如果分为两个区,设备的放置可按如下方案:
1.一个冷、热源放在屋顶或顶层,负责上区;另一个冷、热源放在地下室,负责下区。2.两个区的制冷和制热设备均放在裙房的屋面上,一个负责上区,一个负责下区。3.如果没有合适的裙楼,则两个区的制冷和制热设备均放在塔楼的设备层内,或其中一个放在设备层,另一个放在地下室。4.如果冷冻机、换热设备承压高,其他设备承压低,则可把主机房在地下室,末端设备分两个区,一个供应上区,一个供应下区。5.在底层或地下室放制冷机等冷热源,在设备层设置水-水换热器供上区,地下室冷热源直接供下区。B 如果按承压需分三个区,下面两个区可按上述分法,上面一个区在南方地区可设风冷热泵机组,放在顶层或靠近顶层的技术层内;在冬季室外温度很低不适用热泵的地
方,夏季可用风冷机组,冬季最上一个区可用换热器供热。
三 水路系统设计和设备选型
一、水系统的设计

此处所讲的水路系统主要是指涉及到空气处理机组的冷冻水系统。一个完整的空调水系统建议按图 B-6 所示的要求配置。
水系统的设计中应当注意放气和排水的设计,如果考虑不周,则会引起系统运行的不良。
1.闭式系统热水管和冷水管均应有 0.003 的坡度,最小坡度不应小于 0.002,坡向应随着水流方向逐渐升高。当多管在一起铺设时,各管路坡向最好相同,以便采用共同支架。如因条件限制,热水和冷水管道按无坡度敷设,则管道内水流速不得小于 0.25m/s,并应考虑到在变水量系统中,最小流量下也不应小于此值。
2.闭式系统在热水管和冷水管路的每个最高点(当无坡度敷设时,在水平管路的水流终点),设排气装置(集气罐或自动排气阀)。对于自动排气阀应考虑其损坏或失灵时易于更换的关断措施,各种排气管最好接到水池和地漏。以便于排水或防止排气阀损坏失灵漏水时,流到室内或顶棚上。

注:H>机组内压力值(mmH2O)
3.与水泵接管及大管与小管连接时,应防止气囊产生。大管需由小管排气时,大管与小管的连接应为顶平,以防大管中产生气囊。
4.系统的最低点和需要单独放水的设备(如表冷器、加热器等)的下部应设有带阀门的防水管,并接入地漏或漏斗。作为系统刚开始运行时冲刷管路和管路检修时放水之用。
5.空调器、风机盘管等的表冷器(冷盘管)当处于负压段时,其冷凝水管的排水管应设有水封,水封的连接如图 B-7 所示。

二、设备选型对于上面的水系统,我们主要介绍系统的主要设备和附件的选用,归纳为水泵、集水器和分水器、膨胀水箱、除污器、水过滤器、水管和阀门等。 1)水泵 水泵是中央空调水系统的主要动力设备,常用的水泵有单级单吸清水离心水泵和管道泵两种。当流量较大时,也采用单级双吸离心水泵;当高扬程、小流量时,常采用多级离心水泵。 水泵的性能参数由流量(Q----m3/s)、扬程(H----kPa)、轴功率(Nz----kW)、效率(η----%)、及转速(n----rpm)等。 水泵的轴功率:Nz = Q * H /η η水泵在工作点的总效率,对于小型泵为 0.4~0.6,中型泵为 0.6~0.75,大型泵 0.75~0.85 水泵所需的电动机的额定功率:N = Ka * Nz Ka 电极容量安全系数,其值见下表:

水泵的选择主要按所需的流量(Q----m3/s)、扬程(H----kPa)来确定: 对于定水量系统的总水量按最大负荷计算:W = Q / [c p (Th – Tg)] 对于变水量系统的总水量按右式计算:W = n1*n2*Q / [c p (Th – Tg)]
W--------冷水总水量,m3/s Q--------各空调房建设计工况的负荷总和,kW c---------水的比热容,可取 4.19kJ/(kg.℃) p---------水的密度,可取 1000kg/m3
Th--------回水的平均温度,℃ Tg--------供水温度,℃ n1--------同时使用系数,可取 0.7~0.8 n2--------负荷系数,以围护结构符合为主的,可取 0.7~0.8 水泵的扬程:对于闭式系统,为最不利环路的管道阻力,管道的局部阻力(阀门、弯头等)和设备的阻力之和Hb = Hf + Hd + Hm;如为开式系统,则还应加上设备高差所造成的静水压力Hk = Hf + Hd + Hm + Hs。 Hb --------闭式系统中水泵的扬程,kPa Hk --------开式系统中水泵的扬程,kPa Hf --------系统中总的沿程阻力,kPa Hd --------水系统局部阻力损失,kPa Hm -------系统中的设备阻力损失,kPa Hs --------开式系统中的静水压力,kPa 对于上面是中所计算出的数据,在实际选用中应留有 1.1~1.2 的安全系数。对于多台泵联合运行的情况,流量储备系数应留得更大一些。 水泵的配管布置见图 B-8,水泵的配管布置,应注意以下几点:

1.在连接水泵的吸入管和压出管上宜安装软性接头,有利于降低和减弱水泵的震动和噪声的传递。 2.水泵的出口宜装止回阀,目的是为了防止水泵突然断电是水逆流,而使水泵的叶轮受损。 3.水泵的吸入管和压出管上应分别设置进口阀和出口阀,目的是便于水泵不运行时能不排空系统内的存水而进行检修,进口阀通常是全开,常采用价廉、流动阻力小的闸阀,但绝对不允许做调节水量用,以防水泵产生气蚀。而出口宜采用有较好调节性能、结构稳定可靠的截止阀或蝶阀。
4.安装在立管上的止回阀的下游应设有放水管(图 B-8),便于管道清洗和排污。 5.水泵的出水管上应装有压力表和温度计,以利检测;如果水箱从低位水箱吸水,吸水管上还应装有真空表。 6.每台水泵宜单独设置吸水管,管内水流速一般为 1.0~1.2m/s;出水管内水流速一般为 1.5~2.0m/s。 7.水泵的电机容量大于 20kW 或水泵的吸入口直径大于 100mm 时,水泵机组的布置方式应符合《室外给水设计规范》。 8.水泵基础高出地面的高度不应小于 100mm,基础四周应设排水沟。 2)集水器和分水器

在中央空调系统中,为了利于各空调系统分区流量分配和调节灵活方便,常水系统得供、回水干管上分别设置分水器(供水)和集水器(回水),再分别连接各空调分区的供水管和回水管。
分水器和集水器的构造如图B-9 所示。分水器和集水器实际上是一段大管径的管子,再其上按设计要求焊接上若干不同管径的管接头。确定分水器和集水器管径的原则是使水量通过集管时的流速大致控制在 0.5m/s~0.8m/s 之间,分水器和集水器一般选用标准的无缝钢管(公称直径 DN200~DN500);分水器和集水器的地步应设有排污管接口,一般选用 DN40。 3)膨胀水箱 目前,由于中央空调水系统中极少采用回水池的开式循环系统,因而膨胀水箱已成为中央空调水系统中的主要部件之一,作用是收容和补偿系统中的水量。膨胀水箱一般设置在系统的最高点处,并且底部标高至少比系统管道的最高点高出 1.5m 以上;补给水量通常按系统水容量的0.5%~1%考虑,通常接在循环水泵的吸水口附近的回水干管上,并尽可能靠近循环水泵的进口,以免泵吸入口内气体液化造成气蚀。

如图B-10 所示;膨胀水箱的容积是由系统中水容量和最大的水温变化幅度决定的,可以用下 式计算确定Vp=α* △t * Vs (m3/h) Vp-------膨胀水箱的有效容积(即由信号管到溢流管之间高度差内系统内的水的体积) α-------水的体积膨胀系数,α=0.0006L/℃ △t ------最大的水温变化值,℃ Vs ------系统内的水容量,m3 (系统中管道和设备内存水量总和) 膨胀水箱上的接管有以下几种: 1、膨胀管将系统中水因温度升高而引起体积增加转人膨胀水箱;2、溢流管用于排出水箱内超过规定水位的多余的水;3、.信号管用于监督水箱内的水位 4、补给水管用于补充系统水量,有手动和自控两种方式;5、循环管在水箱和膨胀管可能发生冻结时,用来使水正常循环;6、排污管用于排污。箱体应保温并加盖板,盖板上连接的透气管一般可选用 DN100 的钢管制作。
4)集气罐 水系统中采用集气罐的目的是及时排出系统内的空气,以保证水系统的正常运行。集气罐一般由 DN100~DN250 钢管焊接制成,有立式和卧式两种。集气管的排气管可选用DN15 的钢管,其上面应装放气阀,在系统充水或运行时定期放气之用,立式集气罐容纳的空气量比卧式的多,因此大多数情况下均选用立式集气罐;仅在干管距顶棚的距离很小不能设置立式集气罐时,才使用卧式集气罐。 值得注意的是集气罐在系统中的安装位置(高度)必须低于膨胀水箱,才能保证其排放空气的功能。
5)水过滤器 水过滤器又称排污器,通常装在测量仪器或执行机构之前;常用的水过滤器时Y 型过滤器,规格有 10 目、14 目或 20 目,Y 型过滤器只能安装在水平管道中,介质的流动方向必须与外壳上标明的箭头方向相一致。排污器离测量仪器或执行机构的距离一般为公称直径的 6~10 倍,并定期清洗。
6)水管 中央空调水系统的管材,常用焊接钢管(普通或加厚管)和无缝钢管;对φ219×60(mm)以上的大管径,则多采用螺旋焊缝钢管(SYB/000443)。 焊接钢管用碳素钢制成,它有镀锌管(百铁管)和不镀锌管(黑铁管)之分,其管壁纵向有一条焊缝,一般用炉焊法或高频电焊法焊成。普通焊接钢管适用公称压力 Pz≤1.0MPa;加厚焊接钢管适用于公称压力 Pg≤1.6MPa。两种管的管端均可用手动工具或套丝机加工管螺纹,便于螺纹连接。镀锌钢管比普通钢管的单位重量约重 3~6%。其公称直径以 DN 表示。无缝钢管采用优质碳素钢、普通低合金钢或合金结构钢材料经热轧或冷拔(轧)制成。习惯以 D 表示管子外径,乘壁厚表示管子规格,如 D219×6,相当于公称直径 DN200。热轧管的最大公称直径为 DN600;冷拔(轧)管的最大公称直径为 DN200。管径超过 D57 时,常选用热轧无缝钢管(GB8163-87〉。 管路的连接:
1、螺纹连接。适用于工作压力≤0.8MPa,工作温度≤175℃,管子公称直径≤50 的低压流体输送用的焊接钢管之间;具有连接方便可靠,施工简便的特点。AHU 风柜产品其表冷器和加热器的接口全部采用此种方式。
2、法兰连接。法兰连接拆装方便,常用于管件阀门与管子之间的连接。
3、管接头和弯头连接。
4、焊接连接。一般用于大管径的连接和中央空调采暖系统中。
7)阀门 阀门是重要的管道附件,其作用是接通、切断和调节水或其他流体的流量。中央空调系统中常用的阀门形式有截止阀、闸阀、蝶阀、止回阀、调节阀、安全阀以及凝结水用疏水器等。
四 管道保温和防腐
一、管道和设备保温的作用
空调管道和设备在下列情况下要保温:
1.不保温冷、热损耗量大,且不经济时;2.由于冷、热损失使介质温度达不到要求温度,从而达不到规定的室内参数时;3.当管道通过要求参数严格的空调房间,由于管道散出的冷热量对室内参数有不利影响时;4.防止管道的冷表面结露或防止管道热表面造成可燃物燃烧时。
二、保温层厚度的确定
1)冷管道或设备的保温层厚度取防止结露的最小厚度和经济厚度二者中的较大值。热管道除计算经济厚度外,还应考虑其外表面温度不致影响所在房间的室内参数和满足防火要求。当对冷、热媒的温升或温降有严格要求时,还应校核其是否满足要求。
2)防止结露的最小厚度:防止结露指绝大多数时间不结露。例如放在和室外大气有良好接触的房间内的冷管道,当室外相对湿度达到 95%以上且温度较高时不结露是很难作到的,也是不必要的。
平面的保温厚度或外径大于 400mm圆形管道:δ= (λ/αwg) * [(Tl – Tng) / (Twg - Tl)]小于 400mm的圆形管道:(d +δ) * ln(1+2δ/d)= (λ/αwg) * [(Tl – Tng) / (Twg - Tl)]
δ--------防止结露的最小厚度,m
Twg-------保温层外的空气温度,℃
Tl---------保温层外的空气露点温度,℃
Tng-------管内介质的空气温度,℃
λ--------保温材料的导热系数,W/(m.℃)
αwg------保温层外的表面换热系数,W/(m.℃),一般为 5.8~11.6,室内管道可取 8.1
d----------保温前的管道外径,m

3)保温的经济厚度:选定某一种保温材料后,随着保温层厚度增加,热损失费用 A 下降,但敷设保温层的费用和维护使用费 B 却增加,两者费用相叠加得到曲线 C。曲线 C的最低点对应的厚度,即是该保温材料保温层的经济厚度。
三、保温材料的选择
保温材料应根据因地制宜,就地取材的原则,选取来源广泛、价廉、保温性能好、易于施工、耐用的材料。具体有以下要求:
1.导热系数低、价格低。一般说来,二者乘积最小的材料较经济。在二者乘积相差不大时,导热系数小的经济。
2.容重小、多孔性材料。这类材料不但导热系数小,而且保温后的管道轻,便于施工,也减少荷重。
3.保温后不易变形并具有一定的抗压强度。最好采用板状和毡状等成型材料;采用散状材料时,要采取防止其由于压缩等原因变形的措施。
4.保温材料不宜采用有机物和易燃物,以免生虫、腐烂、生菌、引鼠或发生火灾。当采用上述材料时,要进行处理。
5 宜采用吸湿性小的材料,如保温材料含水多则易产生凝结水,造成对管壁等的腐蚀,保温材料也易于损坏。
6.保温材料应采用非燃和难燃材料,必须符合《建筑设计防火规范》等规定的防火要求。对于电加热器等的保温,必须采用非燃材料。
7.冷管道在保温层外应设防潮层,以防管外的水分和潮湿空气侵入保温层内部使保温层内结露。放在室内的管道应注意外表面光滑和美观。隐蔽在搁楼层内的管道可以在外表面涂沥青作为防潮层,不加保护壳。室外冷管道避免架空敷设,如架空应有防止辐射热的措施。
常用的保温结构由防腐层(一般刷防腐漆)、保温层、防潮层(包油毡、油纸或刷沥青)和保护层组成。保护层随敷设地点和当地材料不同可采用水泥保护层、铁皮保护层、玻纤布保护层;保温结构的具体作法,详见国家标准图。