新闻资讯 News

中央空调末端设备分类与应用

浏览: 221
时间: 2018-10-30
分享:

第一章、 中央空调系统简介 

一、按空调设备的设置情况分类: 

(1)集中式空调系统:集中式空调系统是将各种空气处理设备和风机都集中设置在一个专用的机房里,对空气进行集中处理,然后由送风系统将处理好的空气送至各个空调房间中去。 

(2)半集中式空调系统:除有集中的空气处理室外,在各空调房间内还设有二次处理设备,对来自集中处理室的空气进一步补充处理。 

(3)全分散式空调系统:把空气处理设备、风机、自动控制系统及冷、热源等统统组装在一起的空调机组,直接放在空调房间内就地处理空气的一种局部空调方式。

二、按负担室内负荷所用的介质种类分类: 

(1)全空气系统:空调房间内的热、湿负荷全部由经过处理的空气来承担的空调系统。

(2)全水系统:空调房间内热、湿负荷全靠水作为冷热介质来承担的空调系统。 

(3)空气—水系统:空调房间的热、湿负荷由经过处理的空气和水共同承担的空调系统。

(4)制冷剂直接蒸发系统:这是一种制冷系统的蒸发器直接 放在室内来吸收房间热、湿负荷的空调系统。

中央空调末端设备分类与应用

三、按服务对象不同分类:

按服务对象不同分类:舒适性空调和工艺性空调舒适性空调通常应用于家庭或公共场所;工艺性空调通常应用于工厂,实验室等对空气有特殊要求的场合。 

如图所示为全新风机组,属于集中式空调系统。

其工作原理为:室外新鲜空气(图中新风)经新风口(图中F-进风网格)进入空气处理室(图中E-空调器),经过过滤器清除掉空调中的灰尘,再经过表冷器、加热器等设备的处理,使空气达到设计要求的温度和湿度后,由送风机经风量控制系统(图中D-总风量调节阀)送入风管系统(图中标注尺寸的管道)送入消声装置(图中C-消声器)降低噪声后,经过各房间风量调节装置(图中B-风量调节阀),由出风口(图中A-孔板送风口)送到各空调房间,吸收了房间里的余热、余湿后,自回风口经风道排出室外。

第二章、中央空调风系统专业术语  

一、风管 

中央空调末端设备分类与应用

风管是采用金属、非金属薄板或其他材料制作而成,用于空气流通的管道。 

(1)风管的材料 常用的有薄(镀锌)钢板、不锈钢板、塑料复合板、有机(无机)玻璃钢板、胶合板、铝板、塑料软管、金属软管、橡胶软管等。

中央空调末端设备分类与应用

2)风管的规格尺寸 

如图所示,风管由A,B,L三个尺寸组成,其中A表示宽,B表示高,L表示长,单位无特殊说明都是mm,风管的展开面积计算公式为S=2(A+B)×L,一般按工程需要单位需要换算成m,比如A×B×L=500×200×5000表示风管

的宽为500mm,管道的高为200mm,管道的长为5000mm,则按风管的展开面积按风管的展开面积计算公式得出S=2(A+B)×L=2(0.5+0.2)×5=7㎡    注:mm(毫米)。

中央空调末端设备分类与应用

(3)、空调管道的保温 

由于空调管道中输送的是经处理的高品质的空气,对其管道的保温要求很高,因此,需要对管道进行保温,常用的保温材料如下:

中央空调末端设备分类与应用

二、 风管配件和部件: 

风管配件指风管系统中的弯管、三通、四通、各类变径及异形管、导流叶片和法兰等。 风管部件指通风、空调风管系统中的各类风口、阀门、排气罩、风帽、检查门和测定孔等。

中央空调末端设备分类与应用

三、 空调系统末端设备及其零部件: 

空调系统末端设备包括装配式空调机组和风机盘管,其主要的零部件包括风机机组,表冷器,加热器,加湿器,除湿器,空气过滤器,空气分配器等。 

(一)、装配式空调机组 

中央空调末端设备分类与应用
中央空调末端设备分类与应用

如图所示即为装配式空调机组,是将各种空气处理设备及风机、风量调节阀等制成带箱体的单元体,这些单元体可根据工程需要由设计人员进行组合,成为一组能实现各种空气处理要求的装配式空调机。

中央空调末端设备分类与应用

装配式空调机组有卧式的、立式的、角度式以及叠置式的多种结构形式。选用装配式空调机组时,应根据空调系统所需总风量和系统总冷负荷以及空调机房面积大小选配合适型号和结构的空调机组。

中央空调末端设备分类与应用

(二)风机盘管: 

(1)半集中式空调系统的概念 

半集中式空调系统除了有集中的空气处理室外,还在空调房间内设有二次空气处理设备。这种对空气的集中处理和局部处理相结合的空调方式,克服了集中式空调系统空气处理量大,设备、风道断面积大等缺点,同时具有局部式空调系统便于独立调节的优点。半集中式空调系统因二次空气处理设备种类不同而分为风机盘管空调系统和诱导器系统。其中新风加风机盘管系统为最长用的半集中式空调系统。如图 :

中央空调末端设备分类与应用

经处理的新风通过新风送风管送到房间,室内的风同过回风口与送入的新风混合再经过风机盘管处理,达到要求后再送入房间,这样不断的循环,达到房间的使用要求。 

(2)风机盘管:

 风机盘管空调系统由风机盘管、新风机组、送风管道以及控制阀门等组成。 其中风机盘管、新风机组常称为末端设备,他们共同构成半集中式空调系统 。

中央空调末端设备分类与应用

1、风机盘管的种类:

中央空调末端设备分类与应用

 2、风机盘管的零部件:


中央空调末端设备分类与应用

(三)空调末端设备的零部件 :

1、风机机组 

中央空调末端设备分类与应用

 2、表冷器

中央空调末端设备分类与应用

3、加热除湿器

中央空调末端设备分类与应用

4、加热除湿器 

中央空调末端设备分类与应用

5、空气过滤器 

 空气过滤器按过滤灰尘微粒的大小可分为粗效过滤器,中效过滤器,亚高效过滤器,高效过滤器。按外形特征可分为板式过滤器,袋式过滤器,卷轴式过滤器。

中央空调末端设备分类与应用

6.空气分配器:包括各种形式的风阀及送、回风口

中央空调末端设备分类与应用

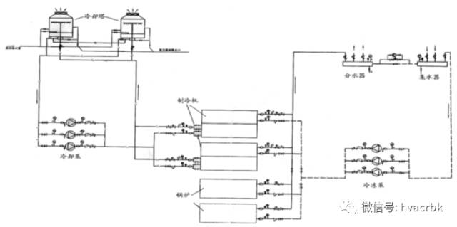
第三章、中央空调水系统简介

1、中央空调水系统工作原理:

中央空调末端设备分类与应用

空调水系统可分为开式系统和闭式系统两种形式,如图所示;开式系统的 末端水管是与大气相通的(左侧),而闭式系统的管路并不与大气相通(右侧)。 通常的水系统循环包括冷冻水系统循环和冷却水系统循环。

中央空调末端设备分类与应用

(1)冷冻水系统循环:对于采用压缩式冷水机组和换热器的系统,冷(热)水可不作水质处理,因为一般无结垢可能,即使有少量结垢对防止电化学蚀应一定的保护作用; 

        对于采用溴化锂吸收式冷温水机组的系统,按照生产厂家的要求,宜采用软化水,有的工程设置钠离子交换器,也有设置电子水处理设备的。 

(2)冷却水系统循环:空调冷却水系统是指由冷水机组的冷凝器、冷却塔、冷却水箱和冷却水循环泵等组成的循环冷却水系统。

二、 冷却塔 

           冷却塔是循环冷却水系统中的一个重要设备。有逆流式冷却塔、横流式冷却塔、射流式冷却塔、蒸发式冷却塔等四种类型,常用的是逆流式冷却塔(圆形、方形)、横流式冷却塔(圆形、方形)两种。

中央空调末端设备分类与应用

3.冷却塔及冷却塔系统运行原理

中央空调末端设备分类与应用

4、 圆形逆流式玻璃钢冷却塔 

中央空调末端设备分类与应用

5、方形横流式玻璃钢冷却塔 

中央空调末端设备分类与应用

6、冷却塔塔填料

中央空调末端设备分类与应用


相关新闻 /
2018 - 12 - 10
点击次数: 355
有许多人询问,哪种中央空调比较好?东莞中央空调工程选用哪种空调机比较多?工厂安装中央空调划不划算?今天小编就为你普及下中央空调的小知识!东莞中央空调工程,目前选用的比较好的空调机式磁悬浮中央空调,那么这种磁悬浮中央空调具体是什么东西呢?又好在哪里?有什么优势呢?想要了解这些,先得了解下磁悬浮中央空调的发展历程!磁悬浮中央空调是目前中央空调市场炙手可热的概念,国内外的许多厂家都推出了磁悬浮系列产品。...
2018 - 03 - 08
点击次数: 286
摘 要中央空调系统是医院能耗较大的设备,如何提高效率、降低运行成本是增强医院竞争力的关键。对于老医院来说,既要进行系统的节能改造,又要考虑合理利用已有资源,才可达到理想的节能效果。文章通过中央空调项目改造的具体实例,重点对设备的功能和技术经济指标进行了分析比较,探讨了实施节能改造的方式和方法。关键词中央空调 节能 改造abstractthe central air conditioning sys...
2017 - 06 - 15
点击次数: 255
东莞中央空调保养清洗是必不可少的,只要定期清洗保养,才能延长空调使用寿命。一、滤网的保养:空调的灰尘污染是最严重的,尤其是它的滤网,而恰恰是空调的滤网,却总是被遗忘清洗,如果滤网长期不清洗,就会造成过滤网堵塞,使滤清能力降低,减少空气循环量,从而降低制冷制热的效果。对于空调滤网的清扫,拆卸时不要碰到室内机组的金属部分,因为有被刮伤的可能。拆下空气过滤网后,轻轻拍弹或使用电动吸尘器进行清扫。如果过滤...

东莞市广顺空调机电设备有限公司     

地址 : 东莞市长安镇霄边东门中路1号万达广场8栋1132室      
电话 : 0769-85346279     
手机 : 13922970199 黄先生(中介、广告勿扰)

联系方式 黄先生 13922970199 刘先生 13537153382
微信公众号
微信服务号
Copyright @2005 - 2017 东莞广顺空调机电设备有限公司1212 
犀牛云提供企业云服务


X
3

4

阿里旺旺设置

6

微信扫码咨询

等待加载动态数据...

等待加载动态数据...

0769-85346279

0769-85346279

  • 0769-85346279
等待加载动态数据...

等待加载动态数据...

展开